
安全型多用户电能表
安全用电管理:具有负载识别功能。可通过监测用户的瞬间接入设备的综合参数,限制恶性负载设备的接入,有效保障安全用电;
负载智能识别:通过读入允许使用特定阻性电器(如饮水机)综合参数,实现设备的特许使用。
技术参数
*水工作电压:AC3*220/380V
*标定电流:3*15(60)A/3*10(40)A
*准确度等级:1级
*水启动电流:0.4%Ib/0.5%Ib
*自身功耗:0.5w/户
*脉冲常数:600imp/kWh/800imp/kWh
*环境温度:-25℃~55℃
*显示方式:液晶
通讯方式
RS485、TCP/IP、射频卡、光纤、GPRS、LORA、售电机抄表售电
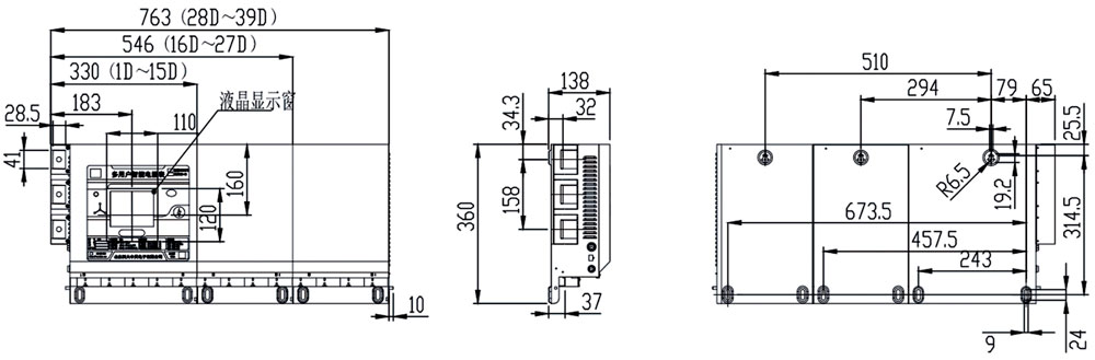
安装尺寸

功能对照表





